Index of /apollo/KiCad/1006552A

[ICO]NameLast modifiedSizeDescription

[PARENTDIR]Parent Directory  -  
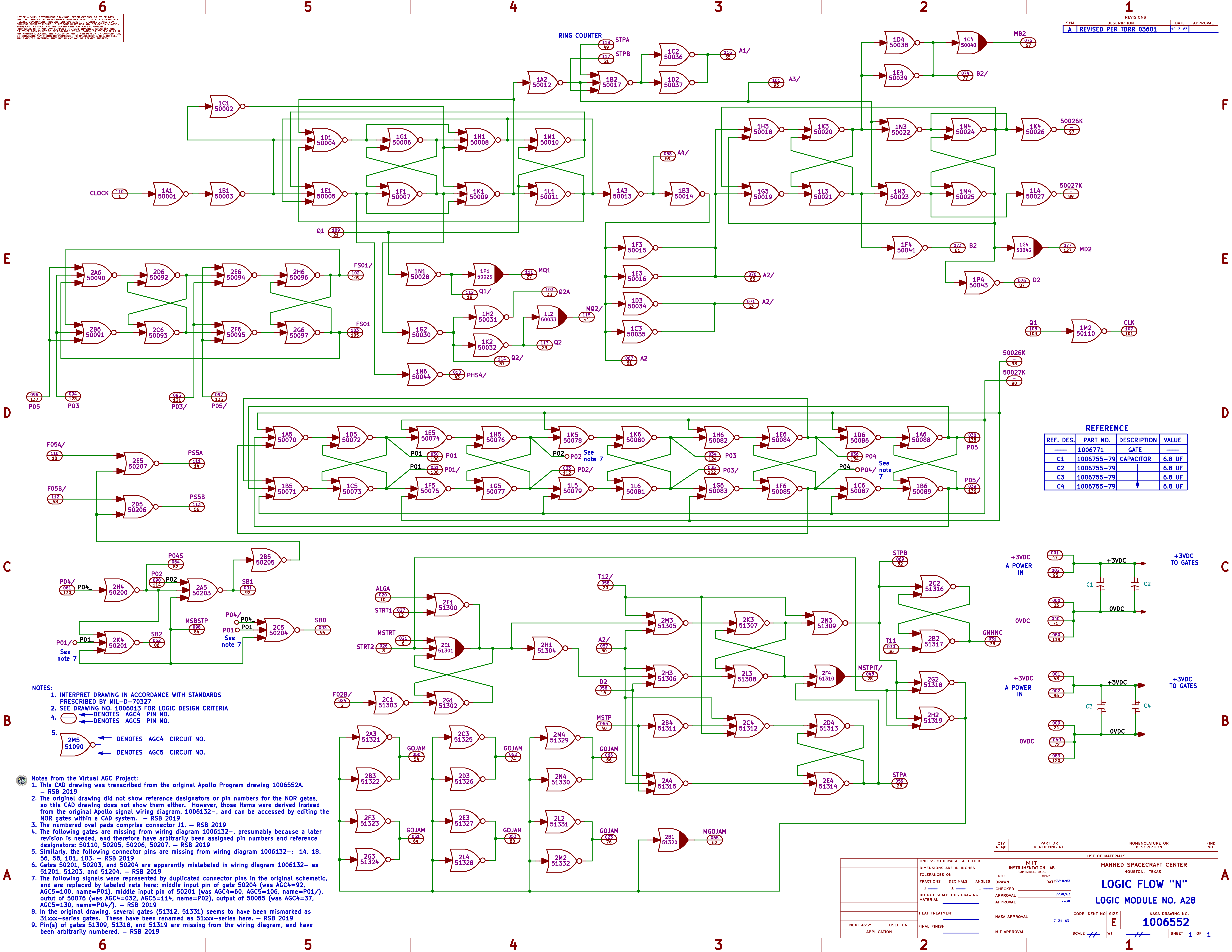
[IMG]1006552A-p1of1.png2019-02-02 10:06 3.0M